Popis
Technické parametry
Úvod produktu
300 kVa 6 . 6 kV Olejový ponořený transformátor je robustní elektrické zařízení určené pro efektivní distribuci energie . Skrotí po 6 {}} 6 kV Vysoké - napěťové napájení, které je na napětí, a zaujmou se, a zaujalo se tak, že je to vyvážená dissipa, a zaujalo se, a zahalila se na napětí, a zahalila se, a zahalila se na napěťové napájení, a to, že je to výborně a napěťové. Operace . S kapacitou 300 kVA dokáže zvládnout významná elektrická zatížení, což je ideální pro průmyslové, komerční nebo rozsáhlé obytné nastavení. Tento transformátor 300 KVA 6,6 kV se drží přísných bezpečnostních a výkonných standardů a poskytuje spolehlivý přenos energie po dlouhou dobu.
Pro další vhled do transformátoru ponořeného typu oleje se s námi spojtesales@gneesteels.com.
Video produktu
TechnickýsZvládnutí

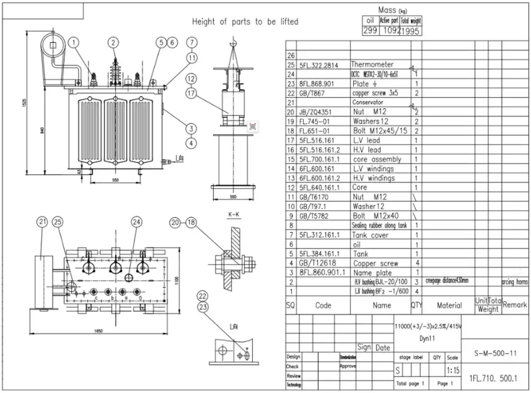
300 KVA Transformátor Design/Structure

Servisní pole 300 kVa 6,6 kV olejového ponoření typu transformátoru
Transformátor typu 300 KVA 6,6 kV oleje slouží různým odvětvím zásadních pro distribuci energie a průmyslové operace:
Velké - měřítko solární farmy: Zvýší napájení ze solárních střídačů na 6 . 6 kV pro připojení mřížky, efektivně manipulace s proměnným výkonem.
Uhlí - vypálené elektrárny: Pomáhá regulovat energii z generátorů, dodávat elektřinu do rostlinných systémů a přípravu energie na mřížku .
Postelkovací stanice: Přizpůsobuje napájení z turbín na mřížku - přátelské napětí, řízení přepětí během období vysokého toku .
Elektronická výrobní zařízení: Vystoupí po energii mřížky na bezpečné úrovně pro citlivé výrobní zařízení a zajišťuje stabilní operace .
Balení 300 kVa 6,6 kV olejového ponořeného transformátoru


Robustní dřevěné obaly- Ochrana přepravy na dlouhou vzdálenost
Naše dřevěné obaly využívají vysoce kvalitní dřevo, přísně testované a zpracované pro zajištění stabilních a odolných struktur . Efektivně vydrží vnější dopady a chrání 300 kVa olejové ponořené transformátory před vibracemi během přepravy, vhodné pro přepravu na dlouhou vzdálenost, export mořských transportů a komplexní silniční podmínky {4}
Ve společnosti Gnee nejen prodáváme vysoce kvalitní transformátory, kteří se zavázali poskytovat komplexní podpůrné služby . od výroby k obalu, každý krok je přísně kontrolován, aby vám poskytl nejuspokojivější zážitek!
Populární Tagy: 300 KVA 6,6 kV Olejový ponořený typ Transformátor, Čína 300 kVa 6,6 kV ponořené výrobci typu Transformátory, dodavatelé, továrna
Odeslat dotaz
Mohlo by se Vám také líbit











